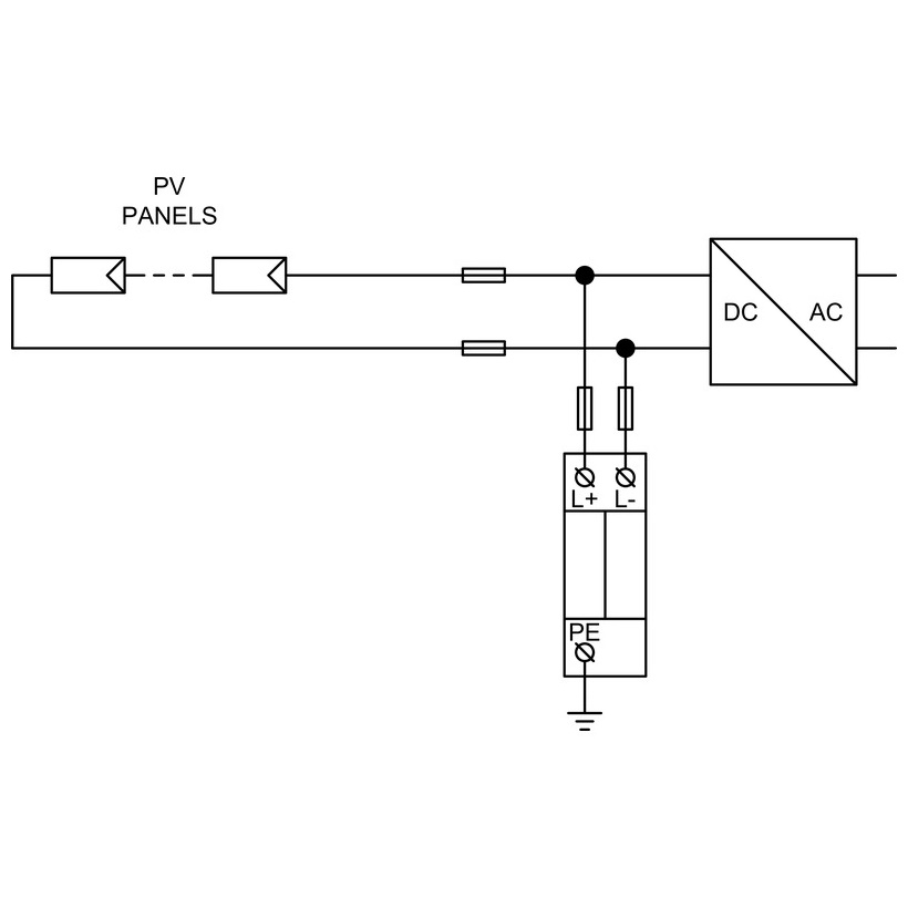
Perlindungan DC yang dibina tujuan untuk susunan PV.
Penangkap lonjakan jenis 2 ini melindungi rentetan PV, bas, dan input penyongsang dari overvoltage sementara yang disebabkan oleh peristiwa kilat atau operasi penukaran. Mereka memastikan ikatan equipotential kedua -dua busbar PV positif dan negatif dan membantu mengekalkan sistem uptime di semua tahap perlindungan kilat (LPL I -IV).
U atau Y CONNECTION -POLEH apa keperluan reka bentuk anda.
Sambungan U: Topologi Perlindungan Konvensional untuk Litar PV DC.
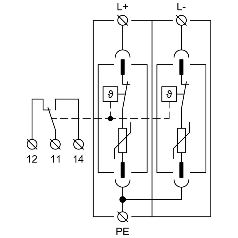
Sambungan Y: Variistors diatur ke PE supaya konduktor kerja tetap tahan terhadap bumi dan terdapat sisa sisa (kebocoran) semasa melalui konduktor PE, meningkatkan tingkah laku EMC dan meminimumkan laluan semasa gangguan.
Keselamatan terbina dalam-tiada fius back-up diperlukan.
Sektor varistor tertentu antara L+, L-, dan PE masing-masing dilengkapi dengan pemutus haba dalaman. Apabila varistor mencapai akhir hayat (terlalu panas), perjalanan pemutus, dengan jelas menunjukkan kesalahan dan mengganggu arus DC. Terima kasih kepada pembinaan khas mereka, penangkap ini boleh dipasang tanpa sekering cadangan berasingan (tertakluk kepada koordinasi sistem).
Penggunaan fleksibel dengan atau tanpa LPS luaran.
Pasang pada bahagian DC sistem PV sama ada tanpa sistem perlindungan kilat luaran (LPS) atau dengan LPS apabila jarak pemisahan yang diperlukan "S" dikekalkan. Ini menyokong integrasi selamat dalam membina dan mengubah suai baru.
Pilihan perkhidmatan dan pemantauan.
M Petunjuk: Versi dengan modul perlindungan (plug-in) yang boleh ditanggalkan untuk penggantian cepat.
S Petunjuk: Versi dengan pemantauan jarak jauh untuk isyarat status kepada SCADA/PLC/Relay penggera.
Aplikasi biasa
Rentetan PV, Kotak Combiner/Re-Combiner, dan Input DC Inverter
Pemasangan PV Skala Utiliti, Komersial & Perindustrian, dan Rooftop
Laman web dengan atau tanpa LP luaran di mana jarak pemisahan "s" diperhatikan
Ciri -ciri utama sepintas lalu
Penangkap lonjakan jenis 2 untuk sistem PV DC (sambungan U atau Y)
Kelebihan sambungan y: konduktor kerja tahan bumi dan kebocoran sifar PE
Pemutus haba dalaman pada laluan varistor (L+, L-, PE)
Gangguan semasa DC atas kesalahan; tidak ada fius sandaran yang diperlukan
Sesuai untuk semua tahap LPL; menyokong ikatan equipotential
M = modul boleh tanggal; S = kenalan pemantauan jauh

